Каталог
IEC АИР63B4
Технические характеристики
| Электродвигатель | Мощность | Об/мин.* | Ток при 380В, А* |
KПД, %* | Kоэф. мощн.* | Iп/ Iн | Мп/Мн | Мmax/Мн | Момент инерции, кгм2* |
Масса, кг* |
| АИР63B4 |
0,37 кВт |
1350 |
1,2 |
68 |
0,70 |
5 |
2,2 |
2,2 |
0,0014 |
6,0 |
- на напряжение 220/380В (шесть клемм в коробке выводов).
- климатического исполнения У, категории размещения - 3 (эксплуатация в закрытых помещениях без регулирования климатических условий).
- режим работы - продолжительный, S1.
- степень защиты - IP54.
Изготовление электродвигателей с повышенным скольжением, двумя концами вала и другие спец. исполнения, производится под заказ.
Монтажное исполнение двигателей:
- на лапах (IM 1081, 1001, 1011)
- фланцевые (IM 3081, 3001, 3011) или фланцевые недоступные с обратной стороны (IM 3681)
- комбинированные, лапы+фланец (IM 2081, 2001, 2011, 2181).
Двигатели аналогичны по размерам и параметрам двигателям 5АИ 63B4 (2, 6, 8), 4ААМ 63 B4.Технические характеристики
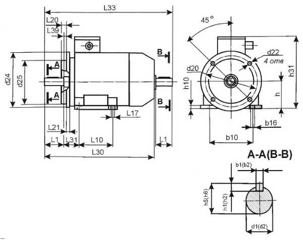
Габаритно-присоединительные размеры электродвигателей АИР63В
| Тип | L1 | L10 | L17 | L21 | L30 | L31 | L33 | b1 b2 |
b10 | b16 | h | h5 h6 |
h10 | h31 | d1 d2 |
d20 | d22 | d24 | d25 | ||||||||
| 2081 3081 |
2181 3681 |
2081 3081 |
2181 3681 |
2081 3081 |
2181 3681 |
2081 3081 |
2181 3681 |
||||||||||||||||||||
| АИР63B | 30 | 80 | 7 | 10 | 237 | 40 | 263 |
5 |
100 | 10 | 63 | 16 | 8 | 161 | 14 | 130 | 75-100 | 10 | М5-М6 | 160 | 90-110 | 110 | 60-80 |
||||

Комментарии